GDX-502填充柱 应用之甲醇中水测定
简单介绍
GDX-502填充柱应用之甲醇中水测定,乙酸乙酯,医疗器械,二叔丁基过氧化物,消毒剂,乙缩醛,乙醇,室内空气,焦炉煤气,炼厂气,芝麻香白酒,3-甲硫基丙醇,炼厂气,氨水,氨气
GDX-502填充柱 应用之甲醇中水测定的详细介绍
GDX-502填充柱应用之甲醇中水测定
GDX-502填充柱应用之甲醇中水测定详细信息:
规格:2m*3mm
粒度:60-80目
白色多孔微珠。系由二乙烯苯和丙烯腈共聚而成的高分子聚合物。具有热稳定性好,耐腐蚀、耐辐射性。中强性。表观密度0.33g/ml。比表面积80m2/g。
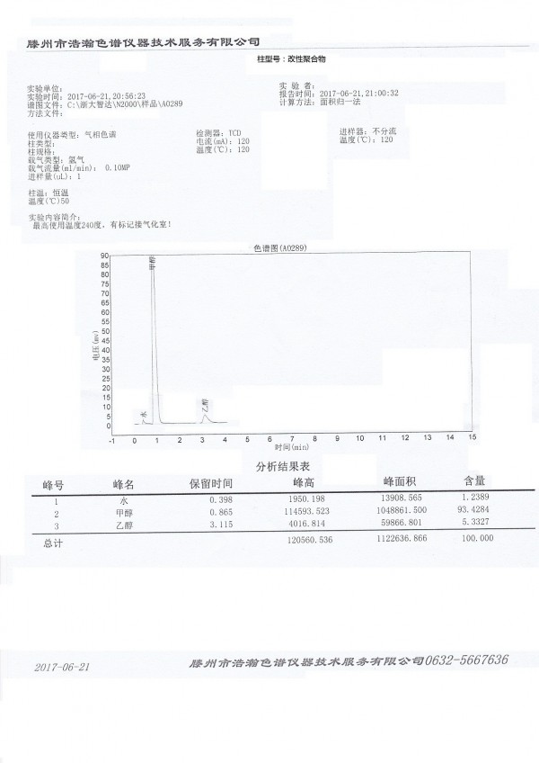
GDX-502填充柱应用之甲醇中水测定应用:甲醇中水测定
气相色谱中强性固定相(使用温度250℃),适用于C1和C2烃和CO、CO2的分析,能完全分离乙烷、乙烯和乙炔。
GDX-502不锈钢填充柱测定谱图:




GDX-502填充柱应用之甲醇中水测定详细信息:
规格:2m*3mm
粒度:60-80目
| 聚二乙烯苯多孔小球-502;高分子多孔小球GDX-502 |
白色多孔微珠。系由二乙烯苯和丙烯腈共聚而成的高分子聚合物。具有热稳定性好,耐腐蚀、耐辐射性。中强性。表观密度0.33g/ml。比表面积80m2/g。
GDX-502填充柱应用之甲醇中水测定应用:甲醇中水测定
气相色谱中强性固定相(使用温度250℃),适用于C1和C2烃和CO、CO2的分析,能完全分离乙烷、乙烯和乙炔。
GDX-502不锈钢填充柱测定谱图:




每一根色谱柱经严格测试
色谱柱种类全
的技术支持
多年积累丰富的色谱分析经验和技术团队
采用的不锈钢管、玻璃管和色谱填料制作各种填充色谱柱
如需要用不锈钢过滤网作为柱两端堵头,请在订货时注明
若采用柱上进样,柱入口前端将留有6CM 的空间,
为防止色谱填料流出,柱两端均用硅烷化玻璃棉封堵
若采用阀进样或非柱上进样的色谱柱,其柱入口处被填满
可提供多种型号气相色谱仪所用玻璃柱构型
2mm内径玻璃柱管的入口处均设有斜面以利进样
每根色谱柱均经过充分老化和严格质量评价测试
注意事项
感谢您购买浩瀚生产的色谱柱.
浩瀚提供的每一根色谱柱均经过老化,为您获得的分析分离效果,请在使用前再老化1-2小时。老化时,应先通载气10min左右,待柱内空气置换干净后,再用程序升温升zui高使用温度老化。
为避免检测器被污染,老化时请不要将色谱柱和检测器相连。
当柱箱温度高于室温时,载气中少量氧会损坏色谱柱内的固定相,载气必须采用脱氧管进一步脱氧(建议所用载气中氧气含量不要超过1PPm)
安装色谱柱时,产品牌号应面向操作者,左侧为色谱柱的进样口(或见标识)。
拆卸色谱柱时,先将柱温降室温,然后再关载气。
相关产品
在线留言 |



